You need to enable JavaScript to run this app.
Thank you for reporting this missing image
Our team will work to update this soon
Electrical
Fans & Motors
CMG Fasco
Print
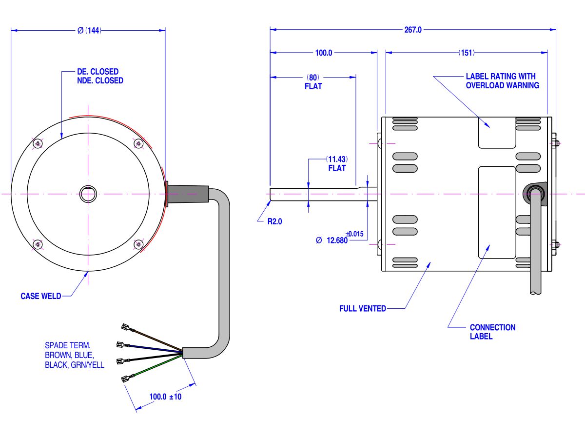
Fasco Fan Motor 240V Vairiable Speed 950W 80855Brva-A16S
Product code:
2710931
View Product Specifications
Product Specifications
Documents and Downloads
Back
Model Number
80855BRVA-A16S
Compressor Phase
Single Phase
Specification, Manuals & Installation
Specification Sheet - Fasco Fan Motor 240V 950W 80855BRVA-A16S
View
Fasco Fan Motor 240V Vairiable Speed 950W 80855Brva-A16S
View in AR
Hold and drag the right mouse button to move objects.
Scroll with the mouse wheel, or pinch with the trackpad, to zoom
Hold and drag the left mouse button to rotate objects.
Drag with two fingers to move object
Pinch with both fingers to increase/decrease the size.
Drag with one finger to rotate object